Ensemble d'accroche double pour série 300 carré sur poutre IPN type HEB240, CMU 300kg
Ensemble d'accroche double pour série 300 carré sur poutre IPN type HEB180, CMU 300kg
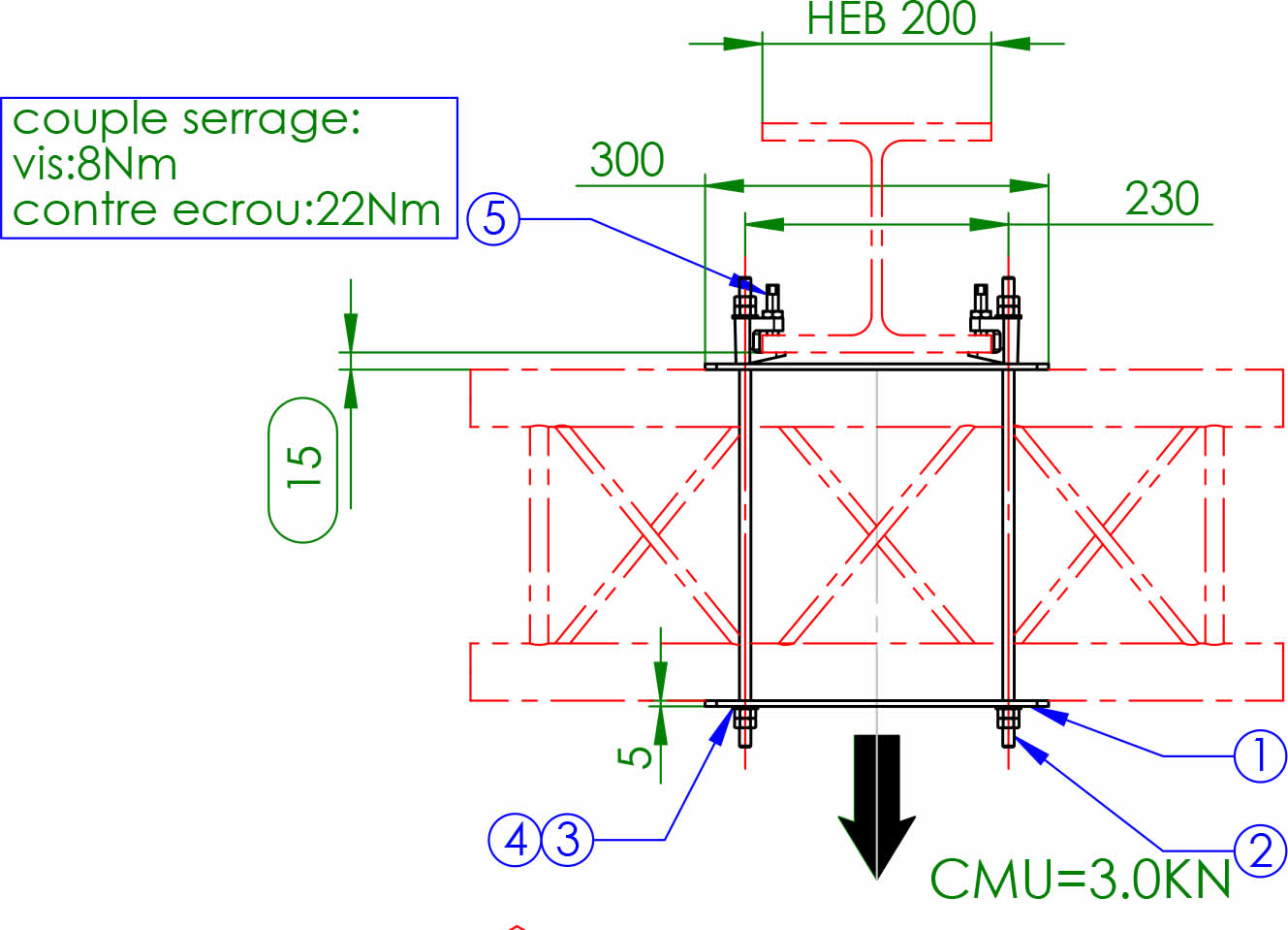
Ensemble d'accroche double pour série 300 carré sur poutre IPN type HEB160, CMU 300kg
Ensemble d'accroche 1côté pour série 300 carré sur poutre IPN type HEB, CMU 150 kg
Pièce de suspension pour série 300 carrée, acier noir, charge maxi 500kg
Kit de 4 praticables 1,5m x 1m, (jeux de 4 pieds de 20, 40, 60 et 80cm en option)
Barre de couplage pour 2 à 4 projecteurs
Monotube 2m, Ø50mm, noir
Tourelle blanche pour tube Ø35mm
Monotube 1m, forte charge, Ø50mm, alu
Nos équipes sont prêtes à répondre à vos besoins et à concrétiser vos projets. Contactez votre agence locale ou laissez-nous un message, nous serons ravis de vous accompagner.